Notre bureau d’études
Des solutions sur mesures et performantes
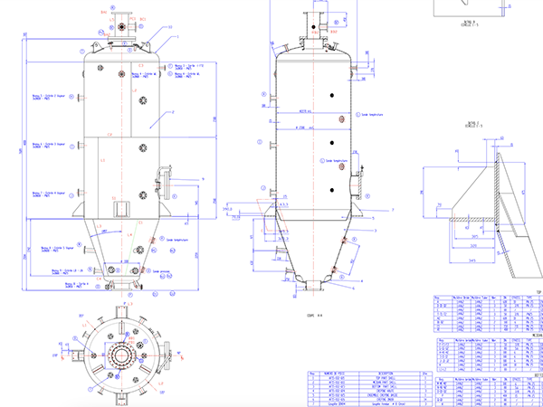
Dotés d'un bureau d'études performant, nous réalisons le calcul: d'appareils à pression suivant CODAP, de bacs selon CODRES et EN14015, et de tuyauteries conformément au CODETI.

Équipements et logiciels
Logiciel AUTOCAD®
Logiciel AUXECAP
Logiciel LOGITRACE®
Ils nous font confiance
Une projet de chaudronnerie, tuyauterie industrielle ou entretien d'usine ?
Discutons-en !